公司产品
product

产品简介
HL-GLYQ立、卧式燃油/气锅炉实际操作培训考核机 一、简介工业锅炉实际操作培训考核机是锅炉操作的教学设备,选用国内常用具有代表性的典型炉型作为实际操作培训考
13588929501
HL-GLYQ立、卧式燃油/气锅炉实际操作培训考核机
一、简介
工业锅炉实际操作培训考核机是锅炉操作的教学设备,选用国内常用具有代表性的典型炉型作为实际操作培训考核机机型,根据TSGG6001-2009《锅炉安全管理人员和操作人员考核大纲》的要求,将《大纲》中规定的锅炉实际操作培训考核的内容,结合总局组织全国专家编写的考核试题作为考核机科目,在锅炉培训考核机上得以实现。采用微机控制技术通过指导语言、灯光显示、电感效应,实现机电一体化,在培训考核机上演示锅炉运行的各种工况和故障状态,供操作人员进行实际操作训练和考核。培训考核机模仿了锅炉结构,配置了相应的附属设备和安装了与实际一样的水、汽、油、气管路和操作阀门。操作简便,使用直观,不用燃料,不作热交换,而操作的动作功能与实际锅炉一样,具有真实感,适于锅炉操作人员教学培训考核使用。也可作为锅炉管理人员、检验人员培训教育使用。
在培训考核机上实现了锅炉正常操作试题、安全操作考核试题、应急情况处理的考核试题。并将所有试题做出正确操作步骤来规范操作人员的实际操作。满足了锅炉操作人员实际操作训练、考核要求。
二、设备概述
燃油/气锅炉实际操作培训考核机采用国内目前在用的、具有代表性的典型炉型作为模拟机型。其锅炉外形、附属设备、安全附件和操作阀门等部件以及安装位置,完全仿照真实锅炉按一定比例缩小制作。所有安全附件和阀门均为真实部件,牢固耐用,可供司炉人员操作练习,真实展现锅炉操作场景。
三、设备尺寸
设备名称 | 长(m) | 宽(m) | 高(m) | 重量(kg) |
立式燃油/气锅炉 实际操作培训考核机 | 1.4 | 0.76 | 2.2 | 150 |
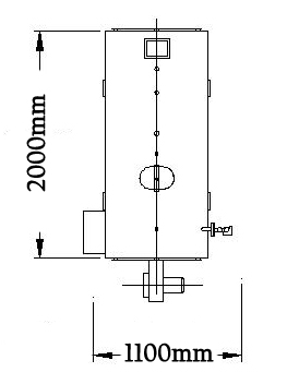
卧式燃油/气锅炉 实际操作培训考核机 | 2 | 1.1 | 2.2 | 200 |


图1:立、卧式燃油/气锅炉实际操作培训考核机实物图
四、工作原理
操作人员操作的每一步骤,均通过PLC可编程序控制系统进行数据采集和处理。利用通信网络将处理的信息传递到计算机内进行计算,并将计算的结果反馈到PLC上,PLC将处理后的指令传递到设备上进行显示,实现锅炉各种运行工况。
五、特点说明
(一)硬件系统的特点及说明
1、本机具有对锅炉操作人员进行实际操作演示、训练、考核、智能打分功能。
2、只要点击鼠标即可完成为学员选择试题进行练习、计时、组卷、存档、打印等功能。
3、实操演示和训练时,本机能够做到指导语音与屏幕图文并茂,完美实现锅炉正常、安全、应急操作的训练和考核工作。
4、本机安装的无磨损检测传感器,保证信号准确、可靠。并安装真实操作附件,保证操作部件的耐用性。
5、真实的锅炉结构、锅炉设备、安全附件和设备运转配音,能够仿真展示锅炉运行现场。
6、本机完全实现了国家总局组织全国锅炉专家编写考核试题的全部科目,实现和演示锅炉运行的各种工况和故障状态。
7、本机采用国内较为先进的软件和PLC控制技术,可跟踪技术进步,随时升级。
(二)软件系统的特点及说明
1、锅炉附属设备操作的按钮、安全附件和阀门均为培训考核机模拟系统的信号采集点。
2、本机采用非接触式电磁传感技术安装在锅炉附属设备内安全附件内和操作阀门内,其传感效果灵敏可靠且耐用。
3、锅炉故障初始状态的调整、实际操作训练时采用灯光显示和语言提示,对训练操作的错误步骤给以纠正和指导,规范操作人员操作步骤。对操作人员的实际操作技能的提高起到至关重要作用。
4、利用信号传递技术将操作信号传送到可编程控制器进行处理,通过软件系统传送到计算机进行显示,实现锅炉运行状态和各种故障。
六、功能描述
(一)教学功能
1、锅炉附件:炉排减速器、鼓风机、引风机、除渣机、水泵、除尘器、分汽缸及连接管道等,让学员直观的了解锅炉附属设备结构和安装位置。
2、真实地安装了锅炉所有安全附件:安全阀、压力表、水位表、排污阀等,让学员了解锅炉安全附件结构和安装位置。
3、真实地模拟了锅炉压力、给水、排污、燃烧、风烟系统,让学员了解锅炉各工作系统。
4、编辑了锅炉各工作系统的流程演示,生动演示锅炉各工作系统流程的工作状态。
5、编辑了锅炉的正常操作、安全操作、锅炉故障应急操作演示动画,模拟再现锅炉运行、故障现象。
(二)训练功能
1、采用了真实的安全附件和操作阀门,学员可以上机操作。
2、实际操作培训考核机采用信号采集、信号传输集中控制技术,计算机软件应用技术,模拟锅炉运行中工作参数(压力、水位)的逻辑关系和设备运行的状态,配备声光技术等给司炉人员营造锅炉运行现场的真实环境。
3、锅炉实际操作培训考核机在学员训练操作时,可用投影屏幕跟踪演示,并有知道语言进行提示。
4、在考核系统的数据库中设置了标准步骤,学员在上机训练时,考核(培训)模拟系统根据学员操作步骤与数据库标准步骤对照,自动提示错误步骤。
5、对操作训练题目进行练习,采用语音提示,并且具有初始状态不符语音提示功能,对操作步骤给出指导,以帮助学员掌握司炉操作要点和正确排除锅炉故障。
(三)考核功能
1、考试功能:考生在试题库中按要求随机抽取试题,进行考试时系统能自动检查锅炉初始状态,考评员能够监视考试过程,并且学员操作步骤自动记录存档。
2、试题自动组卷功能:按照两道、三道题随机组题考试,系统能随机提取试题组卷。
3、考试计时功能:设定考试计时时间,对考试过程实行准确计时,在超过规定时间后,系统自动屏蔽其操作。
4、考试自动评分功能:系统对考试结果进行自动评分。
5、学员信息、数据库管理功能:系统能对考生信息、进行录入、统计、查询、汇总报表和维护。
(四)软件系统功能
1、演示功能
1)水位控制系统及冲洗水位表;
2)送风系统;
3)送煤除渣系统;
4)排污系统;
5)锅内烟气流程系统;
6)水循环流程系统;
7)压力系统;
8)安全附件出现故障时操作系统;
9)安全附件正常操作系统;
10)锅炉出现故障时操作系统;
11)锅炉正常运行操作系统。
2、模块功能
1)演示模块;
2)训练模块;
3)考核模块;
4)数据库管理模块;
5)用户管理模块;
6)帮助模块。
七、安装及调试
1、锅炉实际操作培训考核机安装应按照平面布置图结合教室实际情况进行安装就位;
2、分汽缸、储油罐可与相关锅炉共用;
3、锅炉的给水管、输油管、出汽管、排污管、排气管等均应按锅炉和附属设备实际安装位置进行配管;
4、锅炉实际操作培训考核机与控制箱一体,占地面积小;
5、锅炉的传感系统、信号输送系统、控制系统、网络系统、软件系统的安装和调试均由本公司技术人员现场进行。
6、锅炉实际操作培训考核机及模拟系统的使用、操作、维护、管理均由本公司技术人员现场进行指导培训。
(立式燃油/气) |
(卧式燃油/气) |
图2:立、卧式燃油/气锅炉实际操作培训考核机平面图
八、燃油/气锅炉实际操作培训考核机配置
一、立式燃油/气锅炉培训考核机及软件系统1套 | |
名 称 | 包 括 |
锅炉考核机本体 | 锅炉本体 |
锅炉附属设备(模拟) | 水泵、油泵、燃烧器及管路等 |
安全附件及阀门(实物) | 安全阀、压力表、水位表、 蒸汽、给水管路系统的操作阀门、鼓风机调节挡板等 |
燃油/气锅炉培训考核试题 | 正常操作、故障排除试题 |
硬件及控制系统 | 电控箱及内部构件、传感器、各种配线及接头等 |
二、卧式燃油/气锅炉培训考核机及软件系统1套 | |
名 称 | 包 括 |
锅炉考核机本体 | 锅炉本体 |
锅炉附属设备(模拟) | 水泵、油泵、燃烧器及管路等 |
安全附件及阀门(实物) | 安全阀、压力表、水位表、 蒸汽、给水管路系统的操作阀门、鼓风机调节挡板等 |
燃油/气锅炉培训考核试题 | 正常操作、故障排除试题 |
硬件及控制系统 | 电控箱及内部构件、传感器、各种配线及接头等 |
三、附带备品备件 | |
名 称 | 包 括 |
台式计算机 | 1台 |
软件加密锁 | 1个 |
Φ22指示灯(绿) | 1个 |
Φ16按钮(红) | 1个 |
Φ12指示灯(绿) | 1个 |
Φ12指示灯(红) | 1个 |
埋入式接近开关 | 1个 |
非埋入式接近开关 | 1个 |
九、燃油锅炉实际操作培训考核试题题目
1.冲洗水位表操作步骤
2.压力表回零试验没有超过允许误差时操作步骤
3.压力表回零试验超过允许误差时操作步骤
4.压力表存水弯管冲洗操作步骤
5.手动排放后安全阀回座严密时操作步骤
6.手动排放后安全阀回座不严密时操作步骤
7.水位表的水连管和汽连管被泥垢堵塞,不能正常显示水位时,应急处理操作步骤
8.其他异常情况危及锅炉安全运行时,应急处理操作步骤
9.锅炉排污操作步骤
10.安全阀更换操作步骤
11.压力表更换操作步骤
12.上水操作步骤
13.燃油压力的确定操作步骤
14.通风操作步骤
15.锅炉手动点火操作步骤
16.锅炉熄火应急处理操作步骤
17.锅炉升温、升压时操作步骤
18.锅炉供汽、并炉操作步骤
19.负荷增加时操作步骤
20.负荷减小时操作步骤
21.燃油锅炉停炉操作步骤
22.叫水法判断缺水程度操作步骤
23.叫水方法判断满水程度操作步骤
24.安全阀排放没有开启,应急处理操作步骤
25.安全阀没到开启压力提前开启,应急处理操作步骤
26.安全阀密封不严漏汽时,应急处理操作步骤
27.水位表的玻璃管(板)严重结垢或生锈,无法看清水位,应急处理操作步骤
28.水位表的玻璃管(板)两端密封不严产生漏汽的处理步骤
29.汽连管或水连管上的阀门泄漏时,应急处理操作步骤
30.水位表放水阀泄漏时,应急处理操作步骤
31.水位表的玻璃管(板)产生裂纹或发生爆炸(不危及人身安全)应急处理操作步骤
32.水位表的玻璃管(板)产生裂纹或发生爆破(危及人身安全)应急处理操作步骤
33.玻璃板之间密封不严漏汽、漏水时,应急处理操作步骤
34.锅炉水位低于水位表最低可见边缘,应急处理操作步骤
35.不断加大给水及采取其他措施,但水位继续下降应急处理操作步骤
36.锅炉水位超过安全水位时应急处理操作步骤
37.水位超过最高水位(满水)放水见不到水位时应急操作步骤
38.给水泵失效或给水故障,不能向炉内进水时故障处理操作步骤
39.出现锅炉元件损坏(锅筒鼓包、水冷壁管变形等)应急处理操作步骤
40.燃烧设备损坏、锅炉构架被烧红等严重威胁锅炉安全运行,应急处理操作步骤
41.当锅炉超过工作压力,应急处理操作步骤
42.在运行中发生锅炉爆管水位无法维持时,应急处理操作步骤
43.当锅炉在运行中发生夹套或炉胆发生变形和渗漏时,应急处理操作步骤
44.锅内发生汽水共腾后应急处理操作步骤
45.锅内发生水击时,应急处理操作步骤
46.给水管道发生水击时,应急处理操作步骤
47.蒸汽管道发生水击时应急处理操作步骤
48.供油调节阀门失灵,无法控制燃烧时应急处理操作步骤
49.二次燃烧的应急处理操作步骤
50.炉膛及烟道爆炸应急处理操作步骤
51.水位表更换操作步骤
十、燃气锅炉实际操作培训考核试题题目
1.冲洗水位表操作步骤
2.压力表回零试验没有超过允许误差时操作步骤
3.压力表回零试验超过允许误差时操作步骤
4.压力表存水弯管冲洗操作步骤
5.手动排放后安全阀回座严密时操作步骤
6.手动排放后安全阀回座不严密时操作步骤
7.二次燃烧的应急处理操作步骤
8.炉膛及烟道爆炸应急处理操作步骤
9.锅炉排污操作步骤
10.安全阀更换操作步骤
11.压力表更换操作步骤
12.上水操作步骤
13.燃气压力的确定操作步骤
14.通风操作步骤
15.锅炉手动点火操作步骤
16.锅炉熄火应急处理操作步骤
17.锅炉升温、升压时操作步骤
18.锅炉供汽、并炉操作步骤
19.负荷增加时操作步骤
20.负荷减小时操作步骤
21.燃气锅炉停炉操作步骤
22.叫水法判断缺水程度操作步骤
23.叫水方法判断满水程度操作步骤
24.安全阀排放没有开启,应急处理操作步骤
25.安全阀没到开启压力提前开启,应急处理操作步骤
26.安全阀密封不严漏汽时,应急处理操作步骤
27.水位表的玻璃管(板)严重结垢或生锈,无法看清水位,应急处理操作步骤
28.水位表的玻璃管(板)两端密封不严产生漏汽的处理步骤
29.汽连管或水连管上的阀门泄漏时,应急处理操作步骤
30.水位表放水阀泄漏时,应急处理操作步骤
31.水位表的玻璃管(板)产生裂纹或发生爆炸(不危及人身安全)应急处理操作步骤
32.水位表的玻璃管(板)产生裂纹或发生爆破(危及人身安全)应急处理操作步骤
33.玻璃板之间密封不严漏汽、漏水时,应急处理操作步骤
34.锅炉水位低于水位表最低可见边缘,应急处理操作步骤
35.不断加大给水及采取其他措施,但水位继续下降应急处理操作步骤
36.锅炉水位超过安全水位时应急处理操作步骤
37.水位超过最高水位(满水)放水见不到水位时应急操作步骤
38.给水泵失效或给水故障,不能向炉内进水时故障处理操作步骤
39.出现锅炉元件损坏(锅筒鼓包、水冷壁管变形等)应急处理操作步骤
40.燃烧设备损坏、锅炉构架被烧红等严重威胁锅炉安全运行,应急处理操作步骤
41.当锅炉超过工作压力,应急处理操作步骤
42.在运行中发生锅炉爆管水位无法维持时,应急处理操作步骤
43.当锅炉在运行中发生夹套或炉胆发生变形和渗漏时,应急处理操作步骤
44.锅内发生汽水共腾后应急处理操作步骤
45.锅内发生水击时,应急处理操作步骤
46.给水管道发生水击时,应急处理操作步骤
47.蒸汽管道发生水击时应急处理操作步骤
48.供气调节阀门失灵,无法控制燃烧时应急处理操作步骤
49.水位表更换操作步骤
50.水位表的水连管和汽连管被泥垢堵塞,不能正常显示水位时,应急处理操作步骤
在线留言